汉代用不起铁制兵器,只能用青铜的?居延汉简:当铁剑是手机就懂了
日期:2020年02月06日 09:38:46 作者:冷兵器研究所
之前冷兵器研究所发表过发过关于越王勾践剑和秦代青铜剑的相关文章(《英国爆出兵马俑青铜剑新成果,《复活的兵团》说对了,秦始皇“壕”无人性》)。虽然越王勾践剑被认为是吴越青铜剑的巅峰(《巧夺天工!《国家宝藏》里的越王勾践剑为何铸就千年传奇?》),史书上对于吴越名剑也是赞美有加,但其实根据最新的金属分析和考古研究,秦剑才是中国青铜剑的巅峰。而越国作为春秋最后一个霸主,却没有成为战国七雄,有人就推测铁器的推广使得青铜武器逐渐没落,相对于中原诸侯国的铁器,吴越的青铜剑失去了优势。
)
当然,这个观点有人反对,因为早期冶铁成本很高。因为铁的熔点高达1535摄氏度,而铜的熔点只有1083摄氏度。所以,当时以冶炼青铜为标准的炉温达不到冶铁。虽然当时有块炼铁法,利用木炭还原,得到的含有较多夹杂物的铁,但这种方法炼出来的铁为海绵状固体,杂质很多,含碳量低,质软。因为质地软,所以需要渗碳和反复锻打排除杂质。就像冷兵器研究所之前的文章所说的那样,因为早期冶炼技术落后(《古代打造神兵利器,真的需要拿活人祭剑吗?》),为了保证硬度,甚至出现活人祭剑的传说。 )
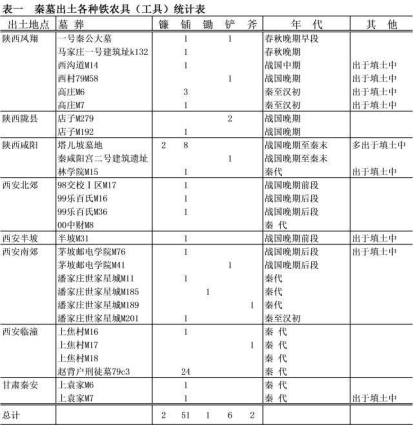
那么,铁制兵器取代青铜兵器是一个什么样的过程呢?根据考古发现,中国地区铁制兵器在春秋时期就有了,比如甘肃灵台县景家庄春秋早期秦墓出土过铜柄铁剑; 礼县秦公墓地出土过鎏金镂空铜柄铁剑;陇县边家庄出土过春秋早期秦墓铜柄铁剑以及长武出土铁短剑; 宝鸡益门村2号墓出土三把金柄铁剑,十三把金柄铁刀。 )
▲灵台县景家庄春秋早期秦铜柄铁剑
从上面的材料来看出土的不少。但是,我们再看看出土地点和描述,比如金柄两字,说明这些铁制兵器显然不是一般人能用的起的。而且那时铁剑的性能也无法达到对青铜剑的绝对压制。 )
▲宝鸡益门村金柄铁剑
比如春秋晚期的杨家山铁剑,虽然在进行固体表面渗碳,使两面形成高碳层,中间夹着低碳层,然后经过对折锻合,并用若干片迭搭锻。根据检测这把剑的含碳量为0.5%-0.6%,金相组织均匀,可能进行过热处理。其虽然不及青铜剑华美,在硬度和强度上已经超过了青铜剑,但是相对后来的高碳钢剑还是有差距。燕下都铁剑虽然性能不错,刃部性能上对青铜兵器来说属于完爆,达到高碳钢水平。之前冷兵器研究所在越王勾践剑和秦始皇青铜剑里提到,青铜剑可以采用复合铸造来达到硬度和韧性的兼顾,但是复合铸造成本太高,即使这样还发生过青铜剑被摔坏的事。但是大家谁听过自己家菜刀水果刀摔坏了?所以铁剑很容易在硬度和韧性上碾压那些王者级别青铜剑。因此类似剑的这种兵器开始用铁,而一般士兵用的戈矛,因为体积不大,普通铸造的青铜也可以也可以。所以燕王喜铜戈以及其他燕赵青铜兵器的发现,说明当时直到战国晚期还是铜铁共存。虽然春秋晚期发现铸铁鼎,战国时期出现的铸铁工具不断增多,但是铸铁只适合做生产工具,不适合做兵器。 )
到了秦汉,金属冶炼有了进一步发展。冷研之前的《新世纪冷兵器考古新突破:秦军原来使用铁兵器,竟已装备环首刀!》一文里还提到过,在甘肃秦安上袁家秦代墓出土铁卜字戟一件,铁剑一件,铁长刀一件,铁匕首一件,铁钺两件,铁镞十件。说明当时的钢铁兵器照比战国有了进一步发展。 )
然后到了汉代,钢铁兵器开始井喷,除了百炼钢以外,还有得益于高炉冶铁和炒钢的推广,铁的生产效率大大提高。其中铸铁脱碳钢的出现大大提高了钢铁普及度。什么是铸铁脱碳钢呢?就是将含碳3~4%的低硅白口铸铁器,在氧化环境中中进行整体脱碳,从而得到高碳、中碳和低碳的钢制品。这种钢材特点是夹杂物少,质地纯净,成分、性能与铸钢相近。在两汉墓葬和遗址出土的铁器中,满城铁镞、古荥铁板、郑州东史马剪刀、南阳西汉钢刀 、山东银雀山汉刀、铁生沟出土铁镰、铁锄、登封告城出土铁镢等都是这种类型。它们虽然相比百炼钢没那么精致,但是性能没得说。 )
还有炒钢。相对块炼铁,炒钢可以更快获得钢材原料。有读者可能会问,具体什么时候这些技术出现的呢?毕竟汉朝跨度四百年。所以笔者根据目前的资料来说说。目前从考古来看,西汉时期初期就出现了炒钢。因为狮子山汉墓发现的铁器类型有白口铁和铸铁脱碳钢还有炒钢,关于狮子山汉墓的墓主人有人认为是当时的第三代楚王刘戊刘戊(?-公元前154年),也有人认为是刘戊的父亲楚王刘郢客(?-前174年)。虽然二者时间差了二十多年,但是可以证明在西汉初期,冶铁技术就已经获得了巨大发展。 )
▲考古模拟汉代冶铁
因为生产效率的提高,铁器的价格也开始下降,到了汉武帝时期的居延汉简里,一把普通铁剑是六百五十钱。这是个什么概念呢?一石小米平时不过30钱左右,一领衣服350钱,差不多10石谷物。汉代容积单位小,一石汉石只相当于三分之一宋石,相当于一个人十几天的口粮。具体汉代军民收入上来看,居延汉简记载一个普通“燧长”(五人队长),俸钱为六百到九百,副食钱二百八十六钱,每月口粮24石。所以在西汉中后期,铁剑也就一个燧长一个月俸禄钱。这里说的是兵器,兵器以锻打为主。那么未加工的粗铁呢?在《史记-货殖列传》里,没加过的粗铁一斤不过十钱。 )
另外农民收入,根据“一夫五口”的记载,可以推算一个正常的有房子有地的普通农民家庭一年收入可以达到11200钱。可以确定,汉代一个农民劳动力月收入大约是933钱。按照一些人的推断一把铁剑也就相当于一个农民一个月的收入,而一个更卒,一个月收入2000钱,也能买到一把上好的铁剑了。用现在大家都用的手机来比喻,一般的品牌智能手机,进入社会工作的年轻人拿出一个月工资就能解决,对大学生来说,在几个月的生活费上挤挤,但是咬咬牙还是能实现的。而旗舰机也不超过高级白领的月薪范畴,至于某水果也不需要人们卖肾了。 (不晓得几千年后,会不会有人因为发现了20世纪的座机,而声称2020年的中国人用不起手机) )
关于汉代兵器的质量,公元前29年曾是西域副校尉的陈汤说,胡人兵刃朴钝,“今闻颇得汉巧”。 说明当时汉军兵器质量还是不错的。至于有人拿出土的青铜剑和青铜环首刀来论证西汉时铁制兵器不是主流,但是咱们看看扬州出土的青铜环首刀。根据媒体的描述“两面满错银饰,通体可见用银丝镶嵌成的卧虎、盘龙、飞凤等花纹,图案细致入微,栩栩如生”。这是典型的礼仪用品啊,就和那种黄金AK47差不多。 )
其实就如冷兵器研究所之前早就科普过的那样,秦汉的人喜欢使用金煌煌青铜制作礼器和明器,秦始皇那个手伴王,还烧包到给自己的禁卫军配备可以实战的高价青铜武器。再看看汉代那些青铜和铁兵器的出土墓葬就晓得了,青铜剑很多是贵族墓出土,这正好和春秋时期反过来了,就像近代时期的银和铝一样。曾经在欧洲,铝比银还贵,但是现在呢?铁剑反而容易在平民墓里出土。如果把明器当成实用具来混淆视听,鉴于秦陵墓曾出土过石质铠甲,不如直接说秦朝还是石器时代好了…… )
简单归纳一下,虽然汉武帝时期一些军队会带一些青铜兵器,比如攻打辽东的时候。但是他们带的青铜兵器基本以前的库存旧货,而且还是给那种临时征发的炮灰用的。而从考古还有文书记载来看,汉代粗铁便宜,铁制兵器价格也比较合理。 )
最后,科普一下收藏界、考古界非常初级的一个概念“战汉”。就像刘邦仅仅比秦始皇小三岁那样,其实战国和西汉的年代跨度很小。所以战国的器物形制多有延续到汉代的。而就像前文所说,战国时期冶铁本身也在不断的进步,不论兵器还是民用工具都逐步的普及化。就拿狮子山汉墓出现的炒钢来说,和秦朝不过就差了30-50年。在出土信息不明确的时候,人们无法断代。比如杨家山铁剑,如果不是墓里出的而是摆在古董店里,你根本无法进行断代的。且不说金属兵器没法做C14,即使附带有保存特别完好的木制剑鞘或者骨制食品,那样还有个几十年乃至上百年的浮动误差呢。所以收藏界和考古界有不少没法确定是战国还是汉代的出土文物。所以,圈里人才把战国末年到汉代这漫长的时代统称“战汉”。 )
)
至于所谓“长期以来,汉朝被认为是一个与先秦完全割裂的对立时代。”但凡玩过古董和稍微看一些学术文章的人都不会这么认为。说这种话的人,妥妥是故意竖个靶子,然后自己贩卖自己的私货罢了。至于那些“汉朝时铁器完全依赖中亚技术输入”,“铁器对汉朝人是奢侈品,金属冶炼对于战国时期的中国就是不可攀登的高峰”的言论,真是没办法。因为除了快递员和外卖小哥,没人能叫醒装睡的人。信他们还不如信双黄连。 )
▲青铜刀的表面
声明:转载此文是出于传递更多信息之目的。若有来源标注错误或侵犯了您的合法权益,请作者持权属证明与本网联系,我们将及时更正、删除,谢谢。